Hallo,
für meine Sauna musste ich leider ein neues Steuergerät kaufen.
Das neue Steuergerät (Poolsana Clima Lux) hat einen Anschluss (Wm), der Wassermangel im Verdampfer sensiert.
Mein vorhandener (alter) Verdampfer hat diese Funktion/Anschluss jedoch noch nicht.
Es kam dann immer eine Fehlermeldung "Fill" und die Steuerung schaltete die Verdampfer-Funktion ab.
Eine Brücke zw. Anschluss Wm und U1 (Phase Verdampfer) hat nichts gebracht, da flog dann der FI raus.
Abhilfe hat jetzt ein 3,9kOhm Hochlastwiderstand zw. Anschluss Wm und U1 (Phase) gebracht.
Die Steuerung schaltet nicht mehr ab und es funktioniert soweit alles (der Verdampfer hat auch einen Trockenlaufschutz (kl. roter Knopf am Gehäuse).
Die Frage ist nun, kann ich diesen Widerstand dauerhaft drin lassen, oder könnte es Probleme geben?
alten Verdampfer an neues Steuergerät anschließen
alten Verdampfer an neues Steuergerät anschließen
- Dateianhänge
-
- Widerstand_01.jpg (92.82 KiB) 28410 mal betrachtet
Re: alten Verdampfer an neues Steuergerät anschließen
Hallo,
ich habe leider das gleiche Problem. Musste auch eine neue Steuerung beschaffen, die den Wassermangel des Verdampfers anzeigt.
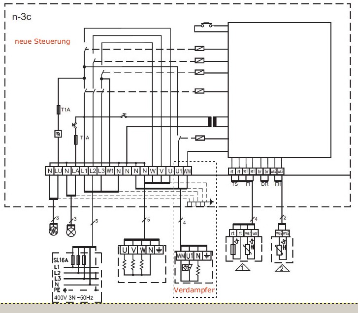
Laut neuem Anschlussplan hätte der Verdampfer ein 4-adriges Kabel, wovon folgerichtig das Kabel WM (Wassermangel) am Steuerungsanschluß WM aufliegen soll und das Kabel U1 an Steuerungsanschluß U1.
Mein alter Verdampfer hat aber nur ein 3-adriges Kabel, wovon die Phase (braun) am Steuerungsanschluß Wb Wasserbad auflag (Foto roter Pfeil), der Anschluß WM Wassermangel war gar nicht belegt. Funktionierte so auch, auf Wassermangel muss ich selber achten. Steuerung war die Eos 4570.
Ich habe jetzt die Phase an U1 angeklemmt und WM ist frei, so wie an der alten Steuerung. Es kommt dann auch immer sofort die Fehlermeldung "Fill" mit Warnton und die Steuerung schaltet die Verdampfer-Funktion ab.
Gibt es dafür eine Lösung?
Wie kann ich den alten Verdampfer mit nur einer Phase an die neue Steuerung mit U1 und WM anschließen bzw. die Fehlermeldung "Fill" unterdrücken?
@Giant: Wo zwischen genau steckt der Hochlastwiderstand und wo sind denn blaues und schwarzes Kabel später angeklemmt? Normalerweise werden die Verdampfer-Kabel ja direkt an der Steuerung angeklemmt.
ich habe leider das gleiche Problem. Musste auch eine neue Steuerung beschaffen, die den Wassermangel des Verdampfers anzeigt.
Laut neuem Anschlussplan hätte der Verdampfer ein 4-adriges Kabel, wovon folgerichtig das Kabel WM (Wassermangel) am Steuerungsanschluß WM aufliegen soll und das Kabel U1 an Steuerungsanschluß U1.
Mein alter Verdampfer hat aber nur ein 3-adriges Kabel, wovon die Phase (braun) am Steuerungsanschluß Wb Wasserbad auflag (Foto roter Pfeil), der Anschluß WM Wassermangel war gar nicht belegt. Funktionierte so auch, auf Wassermangel muss ich selber achten. Steuerung war die Eos 4570.
Ich habe jetzt die Phase an U1 angeklemmt und WM ist frei, so wie an der alten Steuerung. Es kommt dann auch immer sofort die Fehlermeldung "Fill" mit Warnton und die Steuerung schaltet die Verdampfer-Funktion ab.
Gibt es dafür eine Lösung?
Wie kann ich den alten Verdampfer mit nur einer Phase an die neue Steuerung mit U1 und WM anschließen bzw. die Fehlermeldung "Fill" unterdrücken?
@Giant: Wo zwischen genau steckt der Hochlastwiderstand und wo sind denn blaues und schwarzes Kabel später angeklemmt? Normalerweise werden die Verdampfer-Kabel ja direkt an der Steuerung angeklemmt.
- Dateianhänge
-
- Schaltplan n-3c.jpg (93.31 KiB) 27995 mal betrachtet
Re: alten Verdampfer an neues Steuergerät anschließen
Hallo leodeloi,
ein Draht des 3,9kOhm Hochlastwiderstands ist direkt am Steuergerät zusammen mit U1 (Phase zum Verdampfer) angeschlossen. Der andere Draht des Widerstands ist am Anschluss Wm angeschlossen.
Ich habe das nun schon seit Wochen in Betrieb und der Widerstand ist noch ganz und wird auch nicht warm.
Zur Sicherheit habe ich den Widerstand aber in eine Abzweigdose (direkt unter der Saunasteuerung) verlegt.
Aber auch am Verdampfer kann bei eventuellem Wassermangel nichts passieren, da der einen kl. roten Knopf haben müsste (Sicherung) der die Stromzufuhr im Verdampfer unterbricht. Es würde in dem Fall lediglich von der Steuerung her Spannung anliegen, die der Verdampfer aber nicht mehr durchlässt.
ein Draht des 3,9kOhm Hochlastwiderstands ist direkt am Steuergerät zusammen mit U1 (Phase zum Verdampfer) angeschlossen. Der andere Draht des Widerstands ist am Anschluss Wm angeschlossen.
Ich habe das nun schon seit Wochen in Betrieb und der Widerstand ist noch ganz und wird auch nicht warm.
Zur Sicherheit habe ich den Widerstand aber in eine Abzweigdose (direkt unter der Saunasteuerung) verlegt.
Aber auch am Verdampfer kann bei eventuellem Wassermangel nichts passieren, da der einen kl. roten Knopf haben müsste (Sicherung) der die Stromzufuhr im Verdampfer unterbricht. Es würde in dem Fall lediglich von der Steuerung her Spannung anliegen, die der Verdampfer aber nicht mehr durchlässt.
Re: alten Verdampfer an neues Steuergerät anschließen
Danke für die Informationen.
VG
VG
Re: alten Verdampfer an neues Steuergerät anschließen
Hallo leodeloi,
mich würde interessieren ob bei dir der Trick mit dem Widerstand auch funktioniert. Ich habe das selbe Problem mit der Steuerung und dem Ofen, leider klappt es bei mir nicht ganz. Habbe zwar denn Verdampfer zum dampfen bekommen, bloß jetzt läuft er in einz durch.
mich würde interessieren ob bei dir der Trick mit dem Widerstand auch funktioniert. Ich habe das selbe Problem mit der Steuerung und dem Ofen, leider klappt es bei mir nicht ganz. Habbe zwar denn Verdampfer zum dampfen bekommen, bloß jetzt läuft er in einz durch.